全國服務熱線:
139-2897-4276
聯系人:李小姐
手機:13928974276
電話:020-34329972
郵箱:LXL@DY-ELE.COM
地址:廣州市番禺區番禺大道北555號天安總部中心14號樓1007室
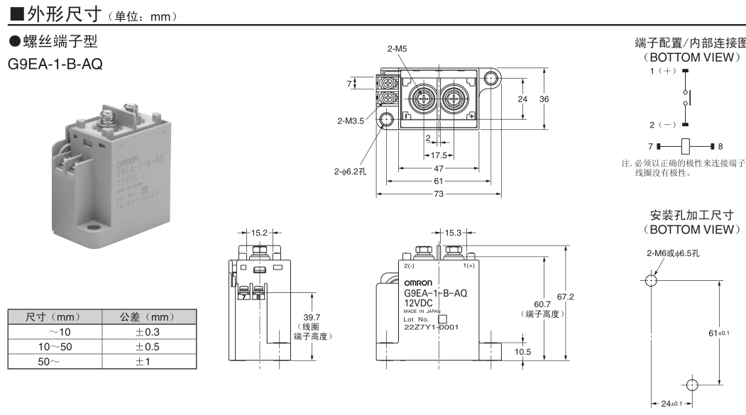
G9EA-1(-B)-AQ DC功率繼電器 (80A type)
能切斷高電壓、高電流的直流負載的DC功率繼電器
高67.2mm×寬36mm×長73mm的小型繼電器,可以開關DC400V 60A。(最大可切斷DC300V 600A)
T開關部和驅動部是充氣的密封結構,雖然體型小巧,卻能切斷高容量負載。另外,這種結構不需要電弧空間,即節省空間又確保安全。同時,接點不受使用環境的影響,提高了接觸可靠性。
體積小、設計佳,使其在安裝方向上沒有限制。
版權所有©2017 廣州鼎悅電子科技有限公司
備案號:粵ICP備14034895號
服務熱線:4001386882/13902305242
E-MAIL: lxl@dy-ele.com
聯系人: 李小姐
地址:廣州市番禺區番禺大道北555號天安總部中心14號樓1007室

微信公眾號

微信二維碼